
| 產品分類 Product categories |
SHINFNA活塞沖擊錘 |
||




安裝維護及注意事項
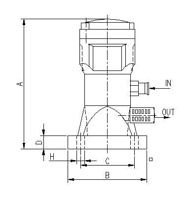
(1) 振動器底座用戶自行焊接在合適位置上,振動器用4個M10×30螺栓與底座固定。電磁 、過濾器、油霧器. 氣源接好。
(2) 振動器工作需純凈、干燥壓縮空氣,因此震定期檢查過濾器,有損壞及時更換。
(3) 定期檢查底座螺栓,以免上期振動使螺栓松動。
(4) 如有故障需通知廠家專業人員維護,嚴禁開蓋拆卸。
安裝前必須連接安全環鏈掛勾,以免螺絲松動,墜落傷人

| |
|