
| 產品分類 Product categories |
氣動敲擊錘FKL系列 |
||
|
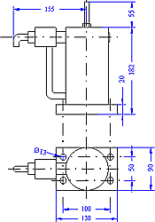
上海欣帆機電科技有限公司銷售空氣錘型號包括:FKL100、FKL150、FKL200等。 防爆 l 低氣壓強沖擊 l 全可調PTR l 無需潤滑 l 工作氣壓為2-7bar l 高效率 |
![]() |

| 選型:
FKL 100 -- 適用壁厚4mm以下 FKL 150 -- 適用壁厚6mm以下 FKL 200 -- 適用壁厚8mm以下 |
![]() |
性能參數表
| 型號 | 力NM | 沖擊次數Ns |
重量kg |
空氣消耗(升/分鐘) |
| FKL 100 |
10-50 |
1-10.5 | 4.5 | 0.5-1.1 |
| FKL 150 |
50-110 |
1-28.5 | 9.5 | 1.2-1.7 |
| FKL 200 |
100-200 |
1-57.5 | 18.1 | 2.2-3.3 |
| |
|