
| 產品分類 Product categories |
氣動渦輪振動器 |
||
- 無潤滑,僅需干凈空氣即可
- 最高工作溫度: 120℃=250℉
- 非常安靜: 噪聲級范圍60 ——75dBA
性能介紹:
高速度與高偏心矩相結合使本振動器可以產生強大的振動能。
殼體是由擠壓鋁制成,表面燒有瓷釉,端蓋經過硬化處理,這些使得它適合 于食品工業和制藥工業。
GT系列轉輪振動器符合現行工廠測試條件下國際噪音規則。
設計:
振動由轉子的正、負轉矩的不平衡而引起的離心力產生。轉子由一對重型預潤滑帶防塵圈的球軸承支承,特制的潤滑脂確保證其工作壽命。
軸承的內、外滾道的設計使得人們可以用一把銷釘扳手非常容易地更換軸承。
端蓋帶有左旋或右旋螺紋并且可以自鎖。

|
1 |
擠壓鋁合金殼體 |
10 |
底座安裝孔 |
|
|
2 |
鋁制轉輪,表面硬化 |
11 |
成對使用的特制預潤滑帶 |
|
|
3,4 |
高密度質量——正轉矩 |
防塵圈軸承 | ||
|
5-7 |
空洞——給出負轉矩 |
表面硬化鋁制端蓋 | ||
|
8 |
進氣口 |
12 |
帶左旋螺紋 |
|
|
9 |
排氣口 |
13 |
帶右旋螺紋 |
性能參數表
|
型號 |
頻率 V.P.M |
測得的離心力 |
空氣消耗量/分鐘 | ||||||||||||
| 2Bar
29PSI |
4Bar
58PSI |
6Bar
87PSI |
2Bar=29PSI | 4Bar=58PSI | 6Bar=87PSI | 2Bar=29PSI | 4Bar=58PSI | 6Bar=87PSI | |||||||
| N | LBS | N | LBS | N | LBS | Ltr. | CF | Ltr. | CF | Ltr. | CF | ||||
| GT-8 | 36,000 | 42,000 | 46,000 | 990 | 223 | 2,060 | 464 | 2,910 | 655 | 46 | 1.6 | 80 | 2.8 | 112 | 3.9 |
| GT-10 | 27,500 | 35,000 | 37,500 | 840 | 189 | 1,390 | 313 | 2,400 | 540 | ||||||
| GT-10-S | 17,000 | 23,000 | 25,000 | 650 | 146 | 1,350 | 304 | 1,950 | 439 | ||||||
| GT-13 | 26,000 | 30,000 | 33,000 | 1,400 | 315 | 2,440 | 549 | 3,730 | 839 | 120 | 4.2 | 200 | 7.0 | 290 | 10.2 |
| GT-16 | 17,000 | 21,500 | 24,000 | 1,220 | 275 | 2,090 | 470 | 3,160 | 711 | ||||||
| GT-16-S | 11,500 | 15,500 | 17,000 | 1,100 | 248 | 1,900 | 428 | 2,700 | 608 | ||||||
| GT-20 | 17,000 | 20,000 | 23,000 | 2,170 | 488 | 4,040 | 909 | 5,520 | 1,242 | 185 | 6.5 | 325 | 11.4 | 455 | 15.9 |
| GT-25 | 12,000 | 15,500 | 17,000 | 2,120 | 477 | 3,510 | 790 | 5,070 | 1,140 | ||||||
| GT-25-S | 8,500 | 11,000 | 13,000 | 2,250 | 506 | 3,600 | 810 | 4,900 | 1,102 | ||||||
| GT-30 | 13,000 | 14,000 | 16,000 | 3,380 | 760 | 5,430 | 1,222 | 7,540 | 1,696 | 330 | 11.5 | 530 | 18.5 | 745 | 26.0 |
| GT-36 | 8,000 | 10,000 | 13,000 | 3,290 | 740 | 5,360 | 1,206 | 7,190 | 1,618 | ||||||
| GT-36-S | 6,100 | 7,200 | 8,300 | 4,100 | 922 | 6,200 | 1,395 | 7,500 | 1,688 | ||||||
| GT-40 | 7,700 | 8,800 | 9,500 | 4,300 | 968 | 7,300 | 1,642 | 9,800 | 2,205 | 425 | 15.0 | 700 | 24.6 | 970 | 34.2 |
| GT-48 | 6,000 | 7,500 | 9,700 | 4,900 | 1,102 | 7,700 | 1,732 | 10,500 | 2,363 | ||||||
| GT-48-S | 0 | 5,600 | 6,300 | 0 | 0 | 7,500 | 1,688 | 12,000 | 2,700 | ||||||
![]() |
本表數據在重型實驗臺上取自Kistler 3軸測力計。 當安裝剛性差時頻率和力值會減小。 本公司保留在不事先通知的情況下修改或撤消任何指標或產品的權利,并且不因此而承擔任何責任。
|
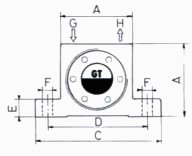
尺寸表
| 型號 | A | 厚度 | C | D | E | F | G/H
英國標準管螺紋 |
重量 | |||||||
| mm | inch | mm | inch | mm | inch | mm | inch | mm | inch | mm | inch | kg | Lbs | ||
| GT-8 | 50 | 1.97 | 33 | 1.30 | 86 | 3.38 | 68 | 2.68 | 12 | 0.47 | 7 | 0.27 | 1/8" | .250 | .55 |
| GT-10 | .255 | .56 | |||||||||||||
| GT-10-S | .263 | .58 | |||||||||||||
| GT-13 | 65 | 2.56 | 42 | 1.65 | 113 | 4.45 | 90 | 3.54 | 16 | 0.63 | 9 | 0.35 | 1/4" | .565 | 1.24 |
| GT-16 | .580 | 1.28 | |||||||||||||
| GT-16-S | .614 | 1.35 | |||||||||||||
| GT-20 | 80 | 3.15 | 56 | 2.20 | 128 | 5.04 | 104 | 4.09 | 16 | 0.63 | 9 | 0.35 | 1/4" | 1.090 | 2.40 |
| GT-25 | 1.120 | 2.46 | |||||||||||||
| GT-25-S | 1.200 | 2.64 | |||||||||||||
| GT-30 | 100 | 3.94 | 73 | 2.87 | 160 | 6.30 | 130 | 5.12 | 20 | 0.79 | 11 | 0.43 | 3/8" | 2.200 | 4.85 |
| GT-36 | 2.300 | 5.10 | |||||||||||||
| GT-36-S | 2.530 | 5.57 | |||||||||||||
| GT-40 | 120 | 4.72 | 83 | 3.26 | 194 | 7.64 | 152 | 5.99 | 24 | 0.94 | 17 | 0.67 | 3/8" | 3.690 | 8.13 |
| GT-48 | 3.890 | 8.57 | |||||||||||||
| GT-48-S | 4.290 | 9.45 | |||||||||||||
| |
|